相關產品:
對夾軟密封蝶型止回閥概述:
H76X型對夾式止回閥由閥體、閥瓣、閥桿及彈簧等零件組成,采用對夾連接。由于閥瓣的關閉行程短,并且有彈簧加載,可顯著減少水錘現象。該閥主要適用于城市、工業及高層建筑給水、排水管網上。由于其結構長度比一般止回閥短,對有安裝空間限制的場所*為適用。
對夾軟密封蝶型止回閥主要零部件材料:
|
零件名稱 |
閥體 | 閥瓣 | 閥桿 | 彈簧 | 閥座 |
| 材 料 |
鑄鐵、鑄鋼 |
碳鋼 | 不銹鋼 | 不銹鋼 | 丁腈 橡膠 |
對夾軟密封蝶型止回閥主要技術參數:
| 型號 | 公稱壓力PN(MPa) | 強度試驗壓力(MPa) | 密封試驗壓力(MPa) | 適用溫度 | 適用介質 |
| H76X-10 | 1.0 | 1.5 | 1.1 | ≤80℃ |
清水 污水 |
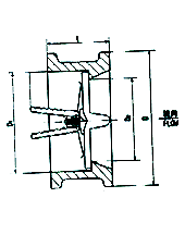
對夾軟密封蝶型止回閥結構尺寸圖:

對夾軟密封蝶型止回閥主要外形尺寸:
| 公稱通徑 DN(mm) | L(mm) | H(mm) | D(mm) | |
| 1.0MPa | 1.6MPa | |||
| 50 | 43 | 60 | 105 | 105 |
| 65 | 46 | 73 | 124 | 124 |
| 80 | 64 | 89 | 142 | 142 |
| 100 | 64 | 110 | 162 | 162 |
| 125 | 70 | 141 | 192 | 192 |
| 150 | 76 | 168 | 218 | 218 |
| 200 | 89 | 219 | 272 | 273 |
| 250 | 114 | 273 | 328 | 328 |
| 300 | 114 | 324 | 378 | 384 |
| 公稱通徑 DN(mm) | L(mm) | H(mm) | D(mm) | |
| 1.0MPa | 1.6MPa | |||
| 350 | 127 | 356 | 438 | 444 |
| 400 | 140 | 418 | 489 | 495 |
| 450 | 152 | 457 | 540 | 555 |
| 500 | 152 | 526 | 594 | 616 |
| 600 | 178 | 626 | 695 | 734 |
| 700 | 229 | 672 | 810 | 804 |
| 800 | 241 | 778 | 916 | 910 |
| 900 | 241 | 878 | 1016 | 1010 |
| 1000 | 300 | 914 | 1124 | 1128 |