相關產品:
消聲止回閥產品概述
消聲止回閥適用于給排水管道,閥瓣采用進口兩端中心軸導向,啟閉靈活,可水平安裝或垂直安裝。閥瓣采用彈簧加載,其快速關閉能有效的消除水錘,密封性能好,關閉無噪聲。它具有體積小、重量輕、流體阻力小,耐疲勞、壽命長等優點。
消聲止回閥主要技術參數
公稱壓力:1.0~1.6MPa
公稱通經:40~600mm
適用介質:水及弱腐蝕性流體
適用溫度:0~80℃
法蘭標準:GB/T 17241.6 GB/T 9113
試驗標準:GB/T 13927 AP 1598
消聲止回閥主要零部件材料
| 型號 | 閥體 | 密封圈 | 彈簧 |
| H41X-10 | 鑄鐵或不銹鋼 | 丁腈橡膠(NBR) | 不銹鋼ICr18Ni9Ti |
| H41X-16 | 鑄鋼或不銹鋼 | 丁腈橡膠(NBR) | 不銹鋼ICr18Ni9Ti |
消聲止回閥工作原理
消聲止回閥主要由閥體、閥瓣、彈簧、出口并帽等構造而成,其工作原理如下: 當沒有介質流過閥門時,閥瓣在彈簧預緊力的作用下處于關閉狀態。當有介質流過閥門,介質壓力能克服彈簧預緊時,閥瓣開啟;當介質逆流時,逆流介質壓力與彈簧預緊力的總和使得閥瓣關閉,防止介質逆流。

消聲止回閥主要性能規范
| 型號 | 公稱壓力 | 殼體試驗壓力 | 密封試驗壓力 | 適用介質 | 工作溫度 |
| H41X-1O | 1.OMPa | 1.5MPa | 1.1MPa | 水及弱腐蝕性流體 | O~80℃ |
| H41X-16 | 1.6MPa | 2.4MPa | 1.76MPa | 水及弱腐蝕性流體 | O~80℃ |
消聲止回閥主要零件材料
| 型號 | 閥 體 | 密封圈 | 彈 簧 |
| H41X-1O | 鑄鐵或不銹鋼 | 丁腈橡膠(NBR) | 不銹鋼絲Icrl8Ni9Ti |
| H41X-16 | 鑄鋼或不銹鋼 | 丁腈橡膠(NBR) | 不銹鋼絲Icrl8Ni9Ti |
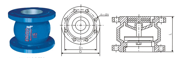
消聲止回閥外形、連接、結構尺寸
| 公稱壓力PN(mml | 公稱通徑 | 尺 寸(mm) | ||||
| DN(mml | L | D | K | b | Z-φd | |
| 1.O | 40 | 112 | 145 | 110 | 18 | 4-18 |
| 50 | 120 | 160 | 125 | 20 | 4-18 | |
| 65 | 130 | 180 | 145 | 20 | 4-18 | |
| 80 | 150 | 195 | 160 | 22 | 8-18 | |
| 100 | 165 | 215 | 180 | 24 | 8-18 | |
| 125 | 190 | 245 | 210 | 26 | 8-18 | |
| 150 | 210 | 280 | 240 | 26 | 8-22 | |
| 200 | 255 | 335 | 295 | 28 | 8-22 | |
| 250 | 310 | 390 | 350 | 28 | 12-22 | |
| 300 | 320 | 440 | 400 | 28 | 12-22 | |
| 350 | 380 | 500 | 460 | 30 | 16-22 | |
| 400 | 405 | 565 | 515 | 32 | 16-26 | |
| 450 | 430 | 615 | 565 | 32 | 20-26 | |
| 500 | 450 | 670 | 620 | 34 | 20-26 | |
| 600 | 510 | 780 | 725 | 36 | 20-30 | |
| 1.6 | 40 | 112 | 145 | 11O | 18 | 4-18 |
| 50 | 120 | 160 | 125 | 20 | 4-18 | |
| 65 | 130 | 180 | 145 | 20 | 4-18 | |
| 80 | 150 | 195 | 160 | 22 | 8-18 | |
| 100 | 165 | 215 | 180 | 24 | 8-18 | |
| 125 | 190 | 245 | 210 | 26 | 8-18 | |
| 150 | 210 | 280 | 240 | 26 | 8-22 | |
| 200 | 255 | 335 | 295 | 30 | 12-22 | |
| 250 | 310 | 405 | 355 | 32 | 12-26 | |
| 300 | 320 | 460 | 410 | 32 | 12-26 | |
| 350 | 380 | 520 | 470 | 36 | 16-26 | |
| 400 | 405 | 580 | 525 | 38 | 16-30 | |
| 450 | 430 | 640 | 585 | 40 | 20-30 | |
| 500 | 450 | 715 | 650 | 42 | 20-33 | |
| 600 | 510 | 840 | 770 | 48 | 20-36 | |